Request for Quote

    Specifications:
    Voltage per circuit: AC 220-250V 50/60Hz
    Max. load per circuit: 16A
    Trim: Black / Silver / White
    Material: Copper conductors, powder coated aluminium housing, stainless steel fasteners
    Mounting: Plaster Recessed
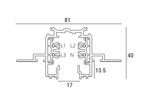
    Size (mm): 81x40
    Item Billing Unit (mm): 1000 / 2000mm / 3000mm
    Optional accessories: End cap, live end earth conductor, L-connector with earth conductor left, L-connector earth conductor rigtht
    Linkable: Yes
    Cable entry: Live end earth conductor (sold separately)
    Max. load per luminaire (kg): 2
    Max. load per track (kg): 3,12
    Max. deflection per metre (mm): 4
    Weight (kg): 0.84 / 1.68 / 2.88
    Warranty: 3 years
    Compliance: CE, RoHS
    Custom option: Custom finish and 3m, 4m and 5m lengths subject to additional charges or MOQ
    trim
    item billing unit